RailPro User Group
General => General Discussion => Topic started by: TwinStar on August 30, 2018, 02:12:06 PM
-
I'm going to use the Minatronics 1.2 mm 1.5V 30mA bulbs for my E unit headlights. I'm needing assistance in ensuring that I don't blow these things up. I'm assuming a resistor of some sort and while I'd like to just ask for the answer I would prefer to learn how to calculate the value of the resistor that I need for these.
Thanks.
-
Those are incandescent lamps. No resistor needed. An incandescent lamp is a resistor. One that glows brightly!
-
Alan:
How do I step the voltage down then? I'm assuming the RP LM-2S light output is track value of approx 14V. Won't that damage the 1.5V bulb?
-
My apologies. I thought you had the supply voltage available already since you bought 1.5v lamps and were asking if a current limiting resistor is needed like with an LED.
You need what's called a resistor network i.e. two resistors connected in series. Since a bulb is a resistor it acts as of of the two resistors in the series. There is a voltage drop across each resistor proportional to its percentage of the overall circuit resistance.
We know the bulb passes 30mA of current at 1.5V. Using Ohm's Law we can determine its on resistance R = V / I which is 1.5 / 0.030 = 50 ohms. [EDIT] Oops, had the decimal point in the wrong place. Fixed now.
Now that we know the bulb has 50 ohms of resistance we can plug that value into a resistor divider formula to determine the value of the second resistor when the supply voltage is 14.8 volts.
Bulb voltage = ( Supply voltage x bulb resistance ) / ( Unknown Resistor + Bulb resistance )
1.5 = ( 14.8 x 50 ) / ( R + 50 )
1.5 = 740 / ( R + 50 )
1.5 * ( R + 50 ) = 740
75 + ( R * 1.5) = 740
( R * 1.5 ) = 665
R = ( 665 / 1.5 )
R = 443
The series resistor needs to be 443 ohms to create a 1.5 volt drop across a 30mA bulb at 14.8 volts. The closest standard value is 470 ohms.
Now that we know the resistor value we calculate the total power so we can choose a resistor of sufficient wattage. Once again using Ohm's Law we calculate the current flowing through the circuit I = V / R.
(We already know this because the bulb spec told us it is 30mA but for sake of making the math complete...)
Current = Voltage / ( Bulb resistance + Series resistor )
I = 14.8 / ( 50 + 470 )
I = 14.8 / 520
I = 0.028
Power (watts) = Voltage * Current
W = V * I
W = 14.8 * 0.028
W = 0.41
The series resistor needs to have a power handling capacity of 0.41 watts. The closest standard value is 0.5 watts. Typically power ratings are halved for cool operation so the resistor really should be 1 watt.
Final answer: On a 14.8 volt system a 470 ohm 1 watt resistor will cause the bulb to glow at full 1.5 volt brightness.
There will be a quiz. ;D
-
Alan:
Thank you! And of course I only have 1/4 and 1/2 watt resistors in stock. Time for Amazon.
The bulbs were selected solely for their size of 1.2 mm. I had tried to use LED's and fiber rod but the size was too big. Another E unit era modeler had successfully used these bulbs so it was a case of size over anything else. These bulbs fit perfectly in the dual light housings that I've installed.
These units have only been worked on for over 5 years. Maybe now I can finish them.
Thanks again.
-
You could use two of your 1/2 watt resistors in parallel. Use 1K paralleled to equal 500 ohms.
-
I might if space weren't an issue and I have enough. There are 4 bulbs in each nose and I think I'm correct in assuming that I'll need a resistor for each bulb.
-
4 bulbs changes the equation drastically. Don't order those resistors just yet.
If you wire the bulbs in series then the total resistance is 200 ohms. Let's do the math...
Hold on. Wife is calling me to dinner. Back in about an hour.
-
No worries.
There are:
1 clear Mars light
1 red emergency application light
2 headlights in the lower housing
No rush, enjoy the dinner.
I will add that 3 may be on at the same time, or just two, or just two on dim.
-
And we're back. With a full tummy!
I'm glad you listed the lights. So much for wiring them in series.
Yes, since you will be operating the lamps individually you will need a resistor (or resistor parallel pair) for each lamp. The headlights are the exception since both are operated together. If you wire the headlamp bulbs in series then the math for them looks like this:
Combined bulb voltage = ( Supply voltage x Combined bulb resistance ) / ( Unknown Resistor + Combined bulb resistance )
( 1.5 + 1.5 ) = ( 14.8 x ( 50 + 50 ) ) / ( R + ( 50 + 50 ) )
3 = ( 14.8 x 100 ) / ( R + 100 )
3 = 1,480 / ( R + 100 )
3 * ( R + 100 ) = 1,480
300 + ( R * 3 ) = 1,480
( R * 3 ) = 1,180
R = ( 1,180 / 3 )
R = 393
The series resistor needs to be 393 ohms to create a 1.5 volt drop across each 30mA bulb when two bulbs are in series at 14.8 volts.
In the end it doesn't change things since the next standard value above 393 is our original 470 ohms. Wiring the bulbs in series just means they will be ever so slightly less bright but you need only a single resistor instead of one for each. Should you go the parallel resistor route then you can use two 810 ohm resistors in parallel to get 405 ohms. That will make your series wired headlights full brightness and you can use 1/2 watt resistors.
You should wire up a bulb and a resistor outside of the loco. Turn it on for 15 minutes. Check to make sure the resistor isn't so warm it will melt plastic.
BTW Unless you are a devout Amazon fan, it is the last place you want to buy electronic components. Very expensive. eBay from China will be a fraction of the cost but last I checked Beijing doesn't offer free 2 day shipping! :D
-
Speaking of testing, you may want to wire up a bulb with one of your 1/2 watt resistors to see how hot the resistor gets. Technically, you are within its operating range but being so close to its upper limit I suspect it will get very warm. Try it and see. If it is not hot enough to melt plastic then you can use them. You could also use a higher value resistor so it passes less current. All depends on how bright you want the bulbs to be.
It is important to remember a resistor is a heater. Your toaster toasts bread using resistor wire. Little carbon resistors are the same. They are so small and create so little heat we tend not to think of them as heaters but they are.
Case in point. Switch mode power supplies are notorious for having poor voltage regulation when there is no or very little electrical load on them. I ran into this problem head on with my railroad. There are some electronic gizmos that run on track power yet they draw only a very trivial amount of current when in stand by. I noticed the power supply voltage drifting when there are no locomotives on the track to create an electrical load. This gave me concern about my gizmos possibly being damaged by over voltage. To remedy the situation I placed a dummy load on the rails so the power supply is always loaded.
I did the math, installed the resistors, and checked the system voltage. Nice and steady. Job well done. Until I touched the resistors. Ouch, they were very hot. Not hot enough to damage them, they were operating within their power rating, but hot enough to concern me. There is 2" insulation foam scenery base mere inches above them.
Long story short, today I have forced air cooled heat sink mounted resistance loading on my train track and a lesson well learned - never underestimate the heat a resistor can generate.
-
Amazon and me get along very well! Here is what I typically purchase when I need these guys since Radio Shack in gone.
https://www.amazon.com/MonkeyJack-Pieces-Resistors-Assortment-Active/dp/B077JW144B/ref=sr_1_8?ie=UTF8&qid=1535719888&sr=8-8&keywords=470+ohm+1+watt+resistor
A pack of 50 for less than $4 may not be the best deal but I don't know that I'd ever need more. I'll look for the 870 ohm as well.
I will most certainly test them as I've learned that lesson before the hard way. Burns hurt.
-
I'm not anti-Amazon. I too buy a lot from Amazon. Just making you are aware in case you didn't know there are some things that Amazon is not a good deal, with electrical components often being one of those things.
A 1 watt resistor typically sells for 4 to 5 cents so your Amazon find at 7 cents is not grossly out of line. Although, a $4 buy isn't going to break the bank regardless of what you purchase. I tend to be more sensitive to the pricing because for commonly used components like resistors I usually buy in quantities of 1000. That's the industry sweet spot where volume pricing starts kicking in and it means I never have to buy that particular component again. But then I tend to use a lot more than the typical model railroader.
Good luck with the lights.
-
Jacob, here is a thought for you.
The problem with using a series resistor to control the brightness of a bulb, other than needing hefty resistors, is the bulb brightness will vary with voltage. If the voltage on the rails varies for whatever reason so too will your headlight brightness. There is a simple solution that will provide uniform bulb brightness regardless of voltage and uses small 1/4 watt components.

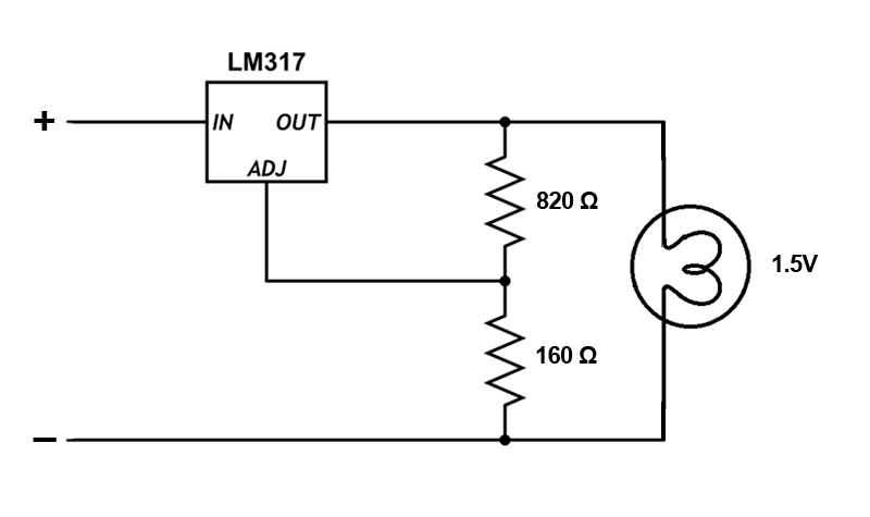
LM317 is a basic, no frills, adjustable voltage regulator in a tiny package. Using the resistor values shown your bulb will always see 1.5v so long as the track voltage is 3.7v or higher. LM modules shut off below 10v so it is safe to say the bulb will always be the same brightness under all conditions. If you were to construct this using surface mount style components it could be made into a very small package.
Just a thought.
-
Alan:
I assume I'll need 3 of these? One for the mars, one for the emergency stop, and one for the headlight pair?
-
Is there a difference between carbon film and metal film resistors?
I'm thinking I should have majored in electronics instead of aviation.
-
Alan:
I assume I'll need 3 of these? One for the mars, one for the emergency stop, and one for the headlight pair?
Correct.
-
Is there a difference between carbon film and metal film resistors?
I'm thinking I should have majored in electronics instead of aviation.
Yes there are differences, however they are inconsequential for your application.
Metal film resistors are more stable at elevated temperatures and they exhibit much lower capacitance at high frequencies. Useless tidbit of knowledge since you are not likely to ever build anything where it would matter. If you decide to build a microwave oven then we should talk. ;D
-
Is there a difference between carbon film and metal film resistors?
I'm thinking I should have majored in electronics instead of aviation.
Yes there are differences, however they are inconsequential for your application.
Metal film resistors are more stable at elevated temperatures and they exhibit much lower capacitance at high frequencies. Useless tidbit of knowledge since you are not likely to ever build anything where it would matter. If you decide to build a microwave oven then we should talk. ;D
I wouldn't ever but I have a 13 YO that I'll need to keep my eye on.
-
Alan,
Out of curiosity, how would using LEDs affect your 317 circuit? Or is it just overkill when an inline resistor will do?
-
Alan,
Out of curiosity, how would using LEDs affect your 317 circuit? Or is it just overkill when an inline resistor will do?
LED brightness is determined by current whereas bulb brightness is determined by voltage. LEDs tend not to change brightness as drastically as bulbs do when the voltage varies. A similar circuit for LEDs would use a constant current regulator, not a constant voltage regulator.
Here is a huge selection of constant current devices. Pick the one that supplies the amount of current desired (LED brightness) and solder in place of the usual resistor.
https://www.digikey.com/products/en/integrated-circuits-ics/pmic-current-regulation-management/734?k=&pkeyword=&FV=ffe002de&quantity=0&ColumnSort=0&page=1&stock=1&pageSize=25 (https://www.digikey.com/products/en/integrated-circuits-ics/pmic-current-regulation-management/734?k=&pkeyword=&FV=ffe002de&quantity=0&ColumnSort=0&page=1&stock=1&pageSize=25)
-
Thanks Alan
-
LED brightness is determined by current whereas bulb brightness is determined by voltage.
Alan,
Isn't that misleading? Both globe and LED brightness are determined by the voltage applied and current drawn. Change either and the brightness will change for both of them.
As for the LM317 circuit, it's been a long time since I looked at one of those but given that it provides a fixed voltage to the output regardless of the voltage applied to the input wouldn't you classify it as a constant current device (for our purposes at least), given that whatever is connected to it (globe or LED) being given a fixed voltage would draw a fixed current? I know it's not a true constant current device but still.
- Tim
-
Alan,
Isn't that misleading? Both globe and LED brightness are determined by the voltage applied and current drawn. Change either and the brightness will change for both of them.
- Tim
Yes and no. You are thinking of the Power formula P = V * I. An increase of V or an increase of I or an increase of V and I will result in an increase of P. So in that sense you are absolutely correct. However in a specific device or circuit that may or may not be true. Take for instance the LED drivers referenced in the reply to Chris. Increasing applied voltage to them does not increase amperage in the circuit.
In this thread's specific instance, a bulb's luminosity is related to the applied voltage whereas LED brightness is related to current flow.
The current flow through a bulb is fixed by resistance of the filament at a given temperature. Raise the voltage and you raise the temperature making the bulb brighter but also increasing its resistance which in turn limits current flow. If the bulb were burnout proof at some point raising voltage would not cause more current to flow because the filament temperature induced resistance will have risen to a point that prohibits doing so. Since the resistance is internally fixed by the filament size, the temperature (and resultant resistance) is a function of applied voltage, not of available current. That is why bulbs are commonly referred to as a voltage controlled device. BTW the basis for folks using 1156 tail light bulbs for over-current protection.
The current flow through an LED is not fixed whatsoever hence why an external means of limiting current is always required. There is no limit, the bigger the power supply you have the more current you can pass through an LED. At least for a very brief moment! ;D
The only voltage relevant to an LED is the voltage drop across it. You can operate an LED on any voltage you wish so long as the proper current limiting resistor is used. Because an LED is not voltage specific but is current specific they are referred to as a current controlled device.
As for the LM317 circuit, it's been a long time since I looked at one of those but given that it provides a fixed voltage to the output regardless of the voltage applied to the input wouldn't you classify it as a constant current device (for our purposes at least), given that whatever is connected to it (globe or LED) being given a fixed voltage would draw a fixed current? I know it's not a true constant current device but still.
- Tim
In our particular instance the bulb resistance does not vary and the LM317 voltage does not vary so yes, the current remains the same. But that is not the definition of a current controlled device or circuit. Virtually all devices/circuits would qualify as current controlled if we apply that definition. A current controlled device/circuit is defined as one that maintains a fixed current as voltage and/or load varies. Just as a voltage controlled device/circuit is defined as one that maintains a fixed voltage as current/load varies.
The LM317 in and of itself does not have the ability to limit current. That is dictated by the resistance of the load. For instance, if you short together the leads of a LM317 the power supply's full current output to flow through the the device. The resulting puff of smoke proves it is not a current limiting device. Conversely, measuring the output voltage while placing differing loads on the LM317 you see the voltage does not change with load proving it is a voltage limiting device.
So, you are right with respect to the state of any device/circuit at a given moment in time but, with all due respect, wrong in definitions.
-
Y'all should charge tuition.
-
Parts List; Am I on the right track?
https://www.digikey.com/product-detail/en/texas-instruments/LM317LCPK/296-26093-1-ND/2254850
https://www.digikey.com/product-detail/en/susumu/RL1220S-R82-F/RL12S.82FTR-ND/432492
https://www.digikey.com/product-detail/en/panasonic-electronic-components/ERA-3AEB161V/P160DBTR-ND/1465835
-
Y'all should charge tuition.
I’d pay tuition for these lessons if it meant we get to see some progress on that layout of his...
-
Y'all should charge tuition.
Not me, I'll just end up putting my foot in it and no one wants to pay for that. I knew how a globe worked, I knew exactly what a constant current device was yet I put my foot in it by trying to be cheeky and call something what it isn't because we end up with the same desired result :-[
I did that (stupidly) because I missed Alan's link to all those wonderful SMD constant current devices (where were they 10 years ago when I wanted them?) and I have never seen or heard of anyone using a constant current device for headlights etc; I've only ever seen articles on using the LM317.
Parts List; Am I on the right track?
https://www.digikey.com/product-detail/en/texas-instruments/LM317LCPK/296-26093-1-ND/2254850
https://www.digikey.com/product-detail/en/susumu/RL1220S-R82-F/RL12S.82FTR-ND/432492
https://www.digikey.com/product-detail/en/panasonic-electronic-components/ERA-3AEB161V/P160DBTR-ND/1465835
First link, LM317 look's ok.
Second link, that's a 0.82 Ohm (820 milliohm) resistor. You need an 820 Ohm. This should do the trick: https://www.digikey.com/product-detail/en/panasonic-electronic-components/ERJ-8GEYJ821V/P820ECT-ND/203366 (https://www.digikey.com/product-detail/en/panasonic-electronic-components/ERJ-8GEYJ821V/P820ECT-ND/203366)
Third Link, power rating too low*, this should do: https://www.digikey.com/product-detail/en/panasonic-electronic-components/ERJ-8GEYJ161V/P160ECT-ND/203277 (https://www.digikey.com/product-detail/en/panasonic-electronic-components/ERJ-8GEYJ161V/P160ECT-ND/203277)
* Based on Alan's previous post stating 1/4W components.
- Tim
-
You can use 1/10W resistors if you wish. There is only 1.53mA of current through the divider network at an output of 1.5V. That equals 0.0023 watts, well below 1/10th watt. I said 1/4 watt resistors only because Jacob mentioned he had on hand 1/4 watt pieces.
With SMD components there is very little size difference so doesn't matter much which you choose. The LM317 will take up the bulk of the space.
It is worth mentioning an LM317 can use an upper divider resistor of a any value between 100 ohms and 1000 ohms but it exhibits maximum stability with an upper resistor of 220 ohms (actually 240 but that value is not readily available). For a light bulb stability is not much of a concern. However, for others that want to use this circuit for something where maximum voltage stability is critical then you really should consider a 220 ohm upper resistor. Since the output voltage is a function of both resistor values, changing the upper will change the lower. It will also change the total current flowing through divider network which will determine the wattage of the resistors.
Here is a handy LM317 resistor calculator: http://www.reuk.co.uk/wordpress/electric-circuit/lm317-voltage-calculator/ (http://www.reuk.co.uk/wordpress/electric-circuit/lm317-voltage-calculator/)
Once the values have been determined then use Ohm's Law to calculate the resistor wattage: http://www.ohmslawcalculator.com/ohms-law-calculator (http://www.ohmslawcalculator.com/ohms-law-calculator)
Remember to double the power value so your resistors run cool.
-
Not me, I'll just end up putting my foot in it and no one wants to pay for that. I knew how a globe worked, I knew exactly what a constant current device was yet I put my foot in it by trying to be cheeky and call something what it isn't because we end up with the same desired result :-[
I did that (stupidly) because I missed Alan's link to all those wonderful SMD constant current devices (where were they 10 years ago when I wanted them?) and I have never seen or heard of anyone using a constant current device for headlights etc; I've only ever seen articles on using the LM317.
- Tim
Naw, there is no stupidity going on. It is a lively give and take discussion where we all learn. Exactly what message boards are meant to do.
-
I’d pay tuition for these lessons if it meant we get to see some progress on that layout of his...
Patience. For 5 years straight I invested a large percentage of my free time in the layout. A year ago it was time to focus on other homestead needs for a bit. Over the past year I have built a new 4 rail pasture fence, a new staircase in the house, a mobile lumber rack and panel cart, workshop shelving, new deck steps, new hay bin floor and refreshed the tractor hydraulics. So I have been busy, just not on the layout. I'll be back to the trains this winter.
-
I’d pay tuition for these lessons if it meant we get to see some progress on that layout of his...
Patience. For 5 years straight I invested a large percentage of my free time in the layout. A year ago it was time to focus on other homestead needs for a bit. Over the past year I have built a new 4 rail pasture fence, a new staircase in the house, a mobile lumber rack and panel cart, workshop shelving, new deck steps, new hay bin floor and refreshed the tractor hydraulics. So I have been busy, just not on the layout. I'll be back to the trains this winter.
Oh I understand, I realize you're busy with other projects. Doesn't mean we can't hope. :)